jdb电子网站

b2banber01.jpg b2banber01ph.jpg

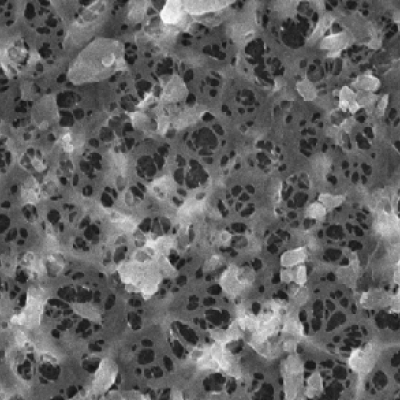
锂电池隔膜

JDB电子(中国区)·官方网站 b2img01.png
  • 1
  • 2
  • 3
  • JDB电子(中国区)·官方网站 b2img02.png
    JDB电子(中国区)·官方网站 b2icon01.svg
    锂电池隔膜
  • JDB电子(中国区)·官方网站 b2icon02.svg
    负极
  • JDB电子(中国区)·官方网站 b2icon03.svg
    正极

锂电池隔膜是一种具有纳米级微孔的高分子功效质料。。。。。。

隔膜的性能决议了锂电池的界面结构、内阻等,,,,,直接影响电池的容量、循环以及清静性能等特征。。。。。。

JDB电子(中国区)·官方网站

应用

  • 动力电池

    jdb电子网站股份针对动力电池客户的高清静性、高能量密度、快充等需求,,,,,提供定制化高强度隔膜、超薄隔膜、低透气性隔膜;; ; ;;;以高性能基膜为基础!。。。。,,,搭配特定功效的涂层,,,,,知足客户差别的动力电池需求。。。。。。

  • 消耗电子电池

    jdb电子网站股份具有业内领先的超薄隔膜及先进涂布手艺,,,,,为客户提供多种解决计划,,,,,主要应用于古板消耗类电子产品和新兴消耗电子领域(无人机、可衣着装备、机械人等)。。。。。。

  • 储能电池

    jdb电子网站股份基于储能锂电池要求长循环寿命的特点,,,,,可提供高保液、长循环寿命的储能电池隔膜,,,,,涵括电力系统储能、通讯基站储能和家庭储能等差别领域。。。。。。

  • JDB电子(中国区)·官方网站 b2img03-799.png
  • JDB电子(中国区)·官方网站 B2yingyongxiaofeidianzi.png
  • JDB电子(中国区)·官方网站 B2yingyongchuneng.png

产品

    • JDB电子(中国区)·官方网站 b2img06.jpg
      JDB电子(中国区)·官方网站
    湿法双向拉伸隔膜

    接纳双向拉伸工艺,,,,,MD向(纵向)、TD向(横向)强度较高且数值较为靠近,,,,,可以降低锂金属枝晶穿刺造成的电池内短路危害,,,,,利于提升电池良率,,,,,并在电池清静性测试中更具优势。。。。。。

    • JDB电子(中国区)·官方网站 ganfagemo.jpg
      JDB电子(中国区)·官方网站
    干法隔膜

    接纳吹塑法生产工艺,,,,,相比流延法,,,,,吹塑法在产品的强度、孔径漫衍、生产效率、收率、收卷质量、收卷长度等方面更具优势。。。。。。

    • JDB电子(中国区)·官方网站 taocitufugemo.jpg
      JDB电子(中国区)·官方网站
    陶瓷涂覆隔膜

    在原来的基膜上(包括干法、湿法基膜),,,,,将高纯度纳米氧化铝或勃母石等陶瓷质料涂覆于基膜上面,,,,,涂覆一层或者两面各一层的陶瓷面。。。。。。

    • JDB电子(中国区)·官方网站 PVDFhunhetufugemoshuixing.jpg
      JDB电子(中国区)·官方网站
    • JDB电子(中国区)·官方网站 PVDFhunhetufugemoyouxing.jpg
      JDB电子(中国区)·官方网站
    混淆涂覆隔膜

    混淆涂覆隔膜,,,,,即PVDF或芳纶与纳米陶瓷混淆制成浆料,,,,,并匀称地涂覆在干法或湿法的基膜上。。。。。;; ; ;;;煜扛哺裟ぜ婢吒吣腿刃缘耐笨墒迪指裟び胝杭涞恼辰樱,,,且具有低本钱、高效率的优点。。。。。。

    • JDB电子(中国区)·官方网站 fangluntufugemo.jpg
      JDB电子(中国区)·官方网站
    芳纶涂覆隔膜

    芳纶是一种耐热优良的高分子质料,,,,,芳纶涂布可以大幅度提升隔膜的破膜温度,,,,,改善电池的热清静性能。。。。。。

    • JDB电子(中国区)·官方网站 PVDFtufugemoshuixing.jpg
      JDB电子(中国区)·官方网站
    • JDB电子(中国区)·官方网站 PVDFtufugemoyouxing.jpg
      JDB电子(中国区)·官方网站
    PVDF 涂覆隔膜

    将PVDF疏散(水性)或消融(油性)后匀称地涂覆到基膜上。。。。。。在隔膜与极片热复适时,,,,,PVDF涂覆隔膜的有用接触面积大,,,,,粘接效果很好(涂层粘结力≥30N/m),,,,,大大降低电芯产品的入壳不良率。。。。。。

b3img061.jpg

行业职位

全球领先
jdb电子网站股份在全球产能结构、产品品质、本钱效益以及手艺研发等方面具备显著竞争力。。。。。。

客户

  • 10,000
    员工
  • 近40
    控股公司
  • 10
    +
    研究所
b2img15.jpg
有一个问题??????
【网站地图】【sitemap】